Système K2 MultiRail
Fixation au toit et rail de fixation en un seul composant. Rail court et flexible disponible en différentes longueurs.
- Facile et éprouvé - rail court et flexible disponible en différentes longueurs
- Dimensionnement rapide avec peu de composants pour plus d'efficacité
- Rail de base solide pour le montage en trapèze avec Dome 6
- Avec certification ETN: Plus d'informations
Système K2 MultiRail
Variante du système



Système K2 MultiRail
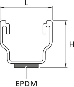
Données techniques
| Système MultiRail | |
|---|---|
| Domaine d’utilisation |
Toits inclinés 5 - 75° avec tôle trapézoïdale |
| Type de fixation / Fixation à la toiture |
Fixation avec vis à tôle auto-perceuses |
| Conditions |
|
| Material |
Aluminium (EN AW-6063 T66); EPDM |
| L = largeur [mm] | 39 |
| H = hauteur [mm] | 35 |
| Longueur des rails [mm] |
|
| Montage en croix avec | SingleRail |

Système K2 MultiRail
Téléchargements
Instructions de montage -MultiRail / MultiRail CSM (Australie/Nouvelle-Zélande)
Homologation ETN
Liste modules approuvés ETN
Instructions de montage - MultiRail
#32 - Avenant avec des modules - Dmegc
#31 - Avenant avec des modules - Dmegc
#30 - Avenant avec des modules - Dualsun
#29 - Avenant avec des modules - Tongwei
#28 - Avenant avec des modules - Osily
#27 - Avenant avec des modules - Qcells
#26 - Avenant avec des modules - Axitec
#25 - Avenant avec des modules - DMEGC
#24 - Avenant avec des modules - Electrolux
#23 - Avenant avec des modules - AEG
#22 - Avenant avec des modules - Trina
#21 - Avenant avec des modules - Qcells
#20 - Avenant avec des modules - Qcells
#19 - Avenant avec des modules - Dualsun
#18 - Avenant avec des modules - Photowatt
#17 - Avenant avec des modules - JOLYWOOD
#16 - Avenant avec des modules - CANADIAN SOLAR
#15 - Avenant avec des modules - RISEN
#14 - Avenant avec des modules - SOLARWATT
#13 - Avenant avec des modules - SYSTOVI
#12 - Avenant avec des modules - CKW
#11 - Avenant avec des modules - JINKO SOLAR
#10 - Avenant avec des modules - JINKO SOLAR
#9 - Avenant avec des modules - Voltec Solar 2
#8 - Avenant avec des modules - Recom Sillia
#7 - Avenant avec des modules - Aleo Solar
#6 - Avenant avec des modules - MyLight Systems
#5 - Avenant avec des modules - Recom Sillia
#4 - Avenant avec des modules - DMEGC
#3 - Avenant avec des modules - Meyer Burger
#2 - Avenant avec des modules - SUNPOWER/MAXEON
#1 - Avenant avec des modules - Voltec Solar